Hubmagnete Zylindermagnete
ITS-LZ 3263-D
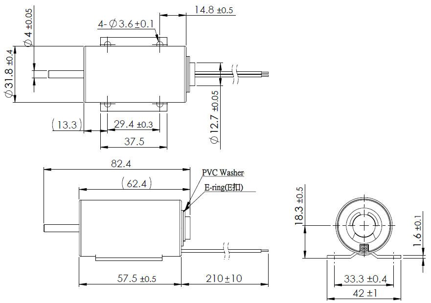
Beschreibung
Durch Ihre geschlossene Bauform haben diese einen höheren Wirkungsgrad als Bügelmagnete.
Hub: 20-25 mm
Gewicht: 295 g
Spulendaten
| Relative ED (%) | 100 | 50 | 25 | 10 |
| Max. Leistung (Watt) | 12,96 | 25,96 | 51,84 | 129,6 |
| Max. ED (Sek.) | ∞ | 150 | 75 | 30 |
Magnetausführungen
Spannung:
6 VDC (standard)
12 VDC (standard)
24 VDC (standard)
weitere Spannungsvarianten auf Anfrage
Sonderanfertigungen
Sie wollen diesen Standardmagneten abändern (z. B. Abmessungen, Kräfte, usw …) dann senden Sie uns einfach dieses Formular: Checkliste (PDF, 390 kB)
Sie möchten beraten werden oder bestellen?
Scheuen Sie sich nicht, uns anzurufen. Wir suchen den intensiven Kontakt zu unseren Kunden und beraten Sie zeitnah und zuverlässig!


