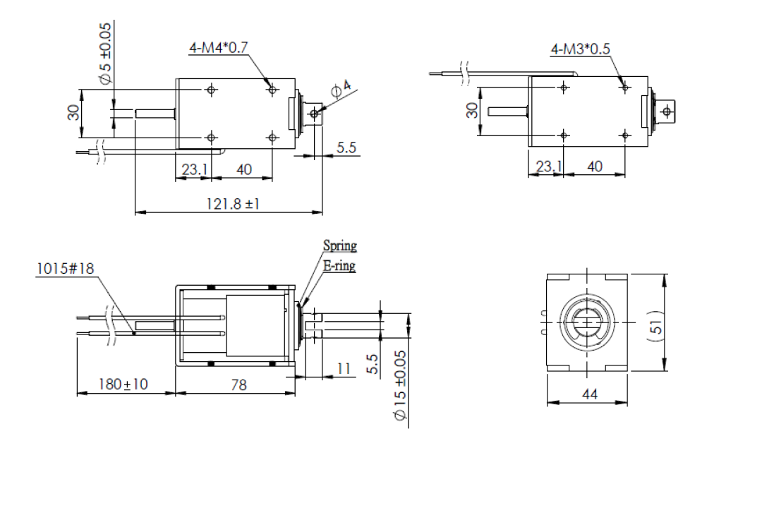
Hubmagnete Rahmenmagnete (standard)
ITS-LS 5144-D
Beschreibung
Günstig und leicht durch Rahmenbauweise. Inkl.Dämpfungsring zur Dämpfung des Anschlaggeräusches. Offene Bauform mit geschlossenem Joch.
Hub: 20-30 mm
Gewicht: 800 g
Spulendaten
| Relative ED (%) | 100 | 50 | 25 | 10 |
| Max. Leistung (Watt) | 13 | 26 | 52 | 130 |
| Max. ED (Sek.) | ∞ | 150 | 75 | 30 |
Magnetausführungen
Spannung:
12 VDC (standard)
24 VDC (standard)
weitere Spannungsvarianten auf Anfrage
Sonderanfertigungen
Sie wollen diesen Standardmagneten abändern (z. B. Abmessungen, Kräfte, usw …) dann senden Sie uns einfach dieses Formular: Checkliste (PDF, 390 kB)
Sie möchten beraten werden oder bestellen?
Scheuen Sie sich nicht, uns anzurufen. Wir suchen den intensiven Kontakt zu unseren Kunden und beraten Sie zeitnah und zuverlässig!

