ITS-LX 2723
Beschreibung
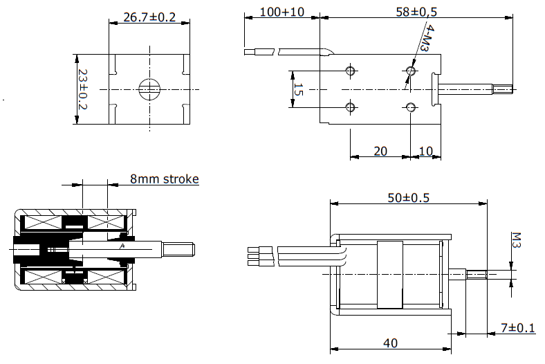
Bistabiler linearmagnet in Rahmenbauweise. Durch die zwei Lagen in denen er stromlos verharren kann ist er ideal für Verriegelungen die keine feste Stromquelle haben.
Hub: 8 mm
Gewicht: 160 g
Haltekraft: 5 N
Spulendaten
| Relative ED (%) | 5 | – | – | – |
| Max. Leistung (Watt) | 30 | – | – | – |
| Max. ED (Sek.) | 15 | – | – | – |
Magnetausführungen
Spannung:
12 VDC (standard)
24 VDC (standard)
weitere Spannungsvarianten auf Anfrage
Sonderanfertigungen
Sie wollen diesen Standardmagneten abändern (z. B. Abmessungen, Kräfte, usw …) dann senden Sie uns einfach dieses Formular: Checkliste (PDF, 390 kB)
Sie möchten beraten werden oder bestellen?
Scheuen Sie sich nicht, uns anzurufen. Wir suchen den intensiven Kontakt zu unseren Kunden und beraten Sie zeitnah und zuverlässig!
