ITS-PE-5029
Beschreibung
Es handelt sich hierbei um hochwertige Haftmagnete, die stromlos ihre Haltekraft via eines Permanentmagneten erzielen. Wie bei allen Elektrohaftmagneten findet keine mechanische Kraftumsetzung statt (im Gegensatz zu den Hubmagneten). Der Magnetismus wird via Bestromung neutralisiert, indem der bestromte Elektromagnet das Magnetfeld des Permanentmagneten aufhebt.
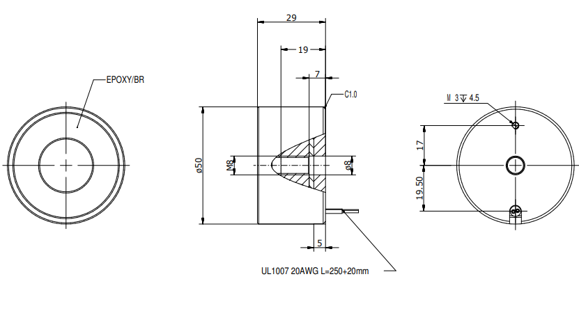
Gewicht: 300 g
Haltekraft: 500 N
Anzugsplattendicke: 11 mm
Spulendaten
| Relative ED (%) | 10 | – | – | – |
| Max. Leistung (Watt) | 10,3 | – | – | – |
| Max. ED (Sek.) | 30 | – | – | – |
Magnetausführungen
Spannung:
12 VDC (standard)
24 VDC (standard)
weitere Spannungsvarianten auf Anfrage
Sonderanfertigungen
Sie wollen diesen Standardmagneten abändern (z. B. Abmessungen, Kräfte, usw …) dann senden Sie uns einfach dieses Formular: Checkliste (PDF, 390 kB)
Sie möchten beraten werden oder bestellen?
Scheuen Sie sich nicht, uns anzurufen. Wir suchen den intensiven Kontakt zu unseren Kunden und beraten Sie zeitnah und zuverlässig!
