ITS-MSM-1811
Beschreibung
Ein Elektromagnet besteht aus einer Spule, in der sich bei Stromdurchfluss ein magnetisches Feld bildet. In der Spule befindet sich in der Regel ein offener Eisenkern, der das Magnetfeld führt und verstärkt. Der Elektronenfluss in der Magnetspule erzeugt magnetische Feldlinien, deren Kraft genutzt werden kann.
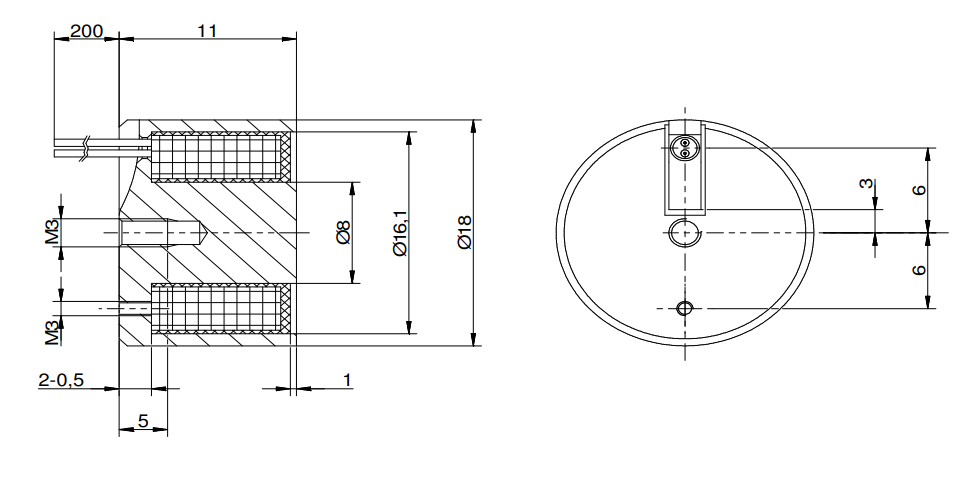
Gewicht: 40 g
Haltekraft: 45 N
Anzugsplattendicke: 3 mm
Spulendaten
| Relative ED (%) | 100 | – | – | – |
| Max. Leistung (Watt) | 1,4 | – | – | – |
| Max. ED (Sek.) | ∞ | – | – | – |
Magnetausführungen
Spannung:
12 VDC (standard)
24 VDC (standard)
weitere Spannungsvarianten auf Anfrage
Sonderanfertigungen
Sie wollen diesen Standardmagneten abändern (z. B. Abmessungen, Kräfte, usw …) dann senden Sie uns einfach dieses Formular: Checkliste (PDF, 390 kB)
Sie möchten beraten werden oder bestellen?
Scheuen Sie sich nicht, uns anzurufen. Wir suchen den intensiven Kontakt zu unseren Kunden und beraten Sie zeitnah und zuverlässig!
